0755-27286363 13713736163 13430979192
|
nbaso米直播吧
|
网站地图
首页
lol悠米cos
nbaso米直播吧
app优米
app优米
umi官网登录入口
优米体育中心
nba有米直播
nbaso米直播吧
您现在的位置:
首页
>
ki优米app
>
lol悠米cos
产品中心
lol悠米cos
nbaso米直播吧
app优米
app优米
b70优米app主页
冲压件
散热器
显示屏
机加工件
推荐产品
umi接单平台的官方网站下载
nba米直播吧
nba优米在线观看
umi官网登录入口
nba优米直播
b70优米app主页
高清显示屏外壳
hifi音响功放机箱铝外壳
显示屏铝型材外壳
nba米直播吧
高档优米体育
制品铝外壳
充电器优米体育
类别:
优米体育
简介:
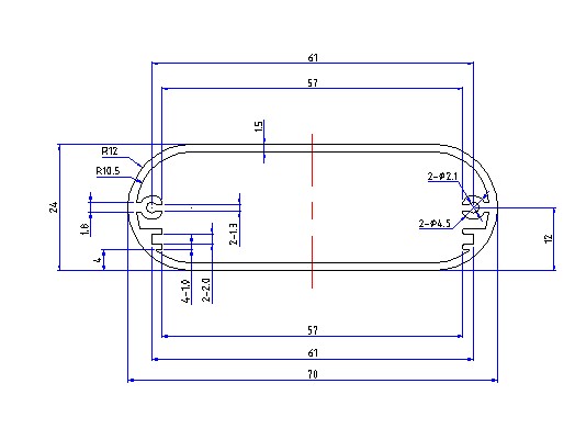
大圆边铝壳外壳好手感合适,
全国咨询服务热线:
0755-27286363
立即采购
在线咨询
产品介绍
1:加工铝方通的原材料都是优质铝材或者是铝合金。西南重庆铝材好,其次是广东铝材,上海铝材。这些原材料可以保证铝方通表面处理工艺,直接影响铝方通的使用寿命和强度。
2:加工设备和技术。加工设备和技术缺一不可。只有把这两者保证了,才可以达到铝方通加工标准。设备先进可以保证铝方通规格标准,技术高可以保证铝方通出现残次品。提高生产效率。
3:处理设备和处理工艺。处理设备要采用先进的进口设备,可以保证产品表面温度均匀,颜色深浅一致。达到表面图层粘附力强。不至于轻易脱落。保证铝方通的使用寿命。
相关产品
音频外壳
交换机外壳
车载显示器外壳
订购:充电器优米体育
联系人
手机号码
电子邮件
验证码
企业微信二维码
微信二维码
0755-29727483
咨询热线:0755-29727483
客服一
客服二
客服四
扫一扫二维码保存联系信息
map